1. Light oil burner.
2.Single /Two stage operation (on/off).
3. High pressure mechanical atomisation of fuel using nozzle.
4. Ability to obtain optimal combustion values by regulating combustion air and blast-pipe.
5.Hinged connection,autonatie open comtrol, maintenance is convenient
6. Single-stage Manual flow adjustment.
7. Two-stage air flow regulation for first and second stage by means of hydraulic regulator
8.It adapts one flange and heat-resistance insulated pad to connect with boiler
9. Combustion air intake with air flow adjustment device.
10. Adjustable blast-pipe with stainless steel nozzle and deflector disk in steel.
11.Monophase electric motor to run fan and pump.
12.Flame presence check by photoresistance.
13.Electrical plant protection rating Ip40.
14.Plastic protection cover.
Products
BTN40/50L/LROne/Two-stage Light Oil Burner
Product Model
BTN40L/LR


| power | Model | Max Viscldity | Power supply |
Motor power
kW |
packing Size
L x P x H mm |
Net weight
kg |
| 97~395 | BTN40L/LR | 1.5 | 230V 50Hz | 0.3 | 740x680x570 | 32 |
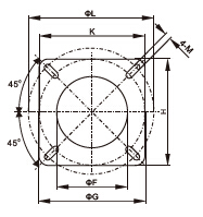
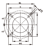
| Model | A | B | C | D | E | F | G | H | K | L | M |
| mm | mm | mm | mm | Φmm | Φmm | Φmm | Φmm | Φmm | Φmm | M | |
| BTN40L/LR | 460 | 407 | 692 | 210 | 160 | 170 | 218 | 220 | 220 | 260 | 4-M10 |
BTN50L/LR


| power | Model | Max Viscldity | Power supply |
Motor power
kW |
packing Size
L x P x H mm |
Net weight
kg |
| 155~485 | BTN50L/LR | 1.5 | 230V 50Hz | 0.42 | 740x680x570 | 33 |
| Model | A | B | C | D | E | F | G | H | K | L | M |
| mm | mm | mm | mm | Φmm | Φmm | Φmm | Φmm | Φmm | Φmm | M | |
| BTN50L/LR | 460 | 407 | 692 | 210 | 160 | 170 | 218 | 220 | 220 | 260 | 4-M10 |






