1. Gas-fired burner.
2.ingle stage operation(on/off).
3.Air-gas mixing at blast-pipe.
4. Ability to obtain optimal combustion values by regulating combustion air and blast-pipe.
5. Do not need to remove the installation of flange and combustion cylinder,it can be directly removed burner
6.anual flow adjustment.
7.Using a flange and high temperature resistant heat insulation pads connected to the boiler.
8.Combustion air intake with air flow adjustment device.
9.Momophase electric motor to run fan.
10.Flame presence check by ionisation electrode.
11.Electrical plant protection rating Ip40
12.Plastic protection cover.
12.Air inlet with quieter.
Products
BTN5/8/12G/GWOne-stage Gas Burner
Product Model
BTN5G/GW


| power | Model | Power supply |
Motor power
kW |
packing Size
L x P x H mm |
Net weight
kg |
| 34~70 | BTN5G/GW | 230V 50Hz | 0.09 | 420x315x313 | 10 |
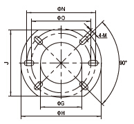
| Model | A | A1 | B | C | D | E | F | G | H | J | B1 | K | L | O | N | M |
| mm | mm | mm | mm | mm | Φmm | Φmm | Φmm | Φmm | mm | mm | mm | mm | Φmm | Φmm | M | |
| BTN5G/GW | 243 | 310 | 246 | 337 | 113 | 90 | 80 | 105 | 194 | 166 | 70 | 63 | G3/4" | 140 | 168 | 4-M8 |
BTN8G/GW


| power | Model | Power supply |
Motor power
kW |
packing Size
L x P x H mm |
Net weight
kg |
| 49~108 | BTN8G/GW | 230V 50Hz | 0.1 | 420x315x313 | 10 |
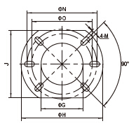
| Model | A | A1 | B | C | D | E | F | G | H | J | B1 | K | L | O | N | M |
| mm | mm | mm | mm | mm | Φmm | Φmm | Φmm | Φmm | mm | mm | mm | mm | Φmm | Φmm | M | |
| BTN8G/GW | 243 | 310 | 246 | 338 | 114 | 97 | 80 | 107 | 194 | 166 | 70 | 63 | G3/4" | 140 | 168 | 4-M8 |
BTN12G/GW


| power | Model | Power supply |
Motor power
kW |
packing Size
L x P x H mm |
Net weight
kg |
| 49~120 | BTN12G/GW | 230V 50Hz | 0.13 | 420x315x313 | 10.5 |
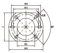
| Model | A | A1 | B | C | D | E | F | G | H | J | B1 | K | L | O | N | M |
| mm | mm | mm | mm | mm | Φmm | Φmm | Φmm | Φmm | mm | mm | mm | mm | Φmm | Φmm | M | |
| BTN12G/GW | 243 | 310 | 246 | 338 | 114 | 97 | 80 | 107 | 194 | 166 | 70 | 63 | G3/4" | 140 | 168 | 4-M8 |






