1.交替工作天然氣/輕油雙燃料燃燒器。
2.雙段漸近式/比例式/電子式運行。
3.空氣和燃氣在燃燒頭內混合,機械式壓力霧化。
4.通過調節燃燒空氣和燃燒頭,可以獲得最佳的燃燒參數。
5.無須把燃燒器從鍋爐上拆下,就可直接取下混合裝置和霧化裝置,維修保養方便。
6.漸進/比例式用伺服電動機來進行第一、二段最小和最大空氣流量調節;燃燒器暫停時,風門關閉以減少爐內熱量損失。
7.電子式用三個伺服電動機分別控制燃氣、燃油和空氣的比例調節。
8.采用一個法蘭和耐高溫隔熱墊與鍋爐聯接固定。
9.帶流量調節裝置的燃燒空氣進口。
10.燃燒器空氣進口采用消音設計。
11.耐高溫的不銹鋼燃燒頭火焰盤。
12.獨立電機帶動油泵。
13. UV紫外線光電管檢測火焰。
14.標準配置的電氣防護等級IP40。
產品總匯 | Products
BTN1200/1500GLC/ GLE漸進式/比例調節/電子比調式輕油/燃氣雙燃料燃燒器
產品型號
BTN1200GLC/GLE


| 功率 | 型號 | 電源 | 電機功率 | 包裝尺寸 | 重量 |
| 1400 ~12000 | BTN1200GLC/GLE | 380V 50Hz | 37+4 | 2240x1820x1800 | 870 |
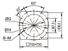
| 型號 | A | B | C | D | E | F | G | H | B1 | K | L | M |
| mm | mm | mm | mm | Φmm | Φmm | Φmm | mm | mm | mm | mm | M | |
| BTN1200GLC/GLE | 1530 | 1520 | 2070 | 462 | 536 | 510 | 735 | 556 | 634 | 218 | DN125 | 8-M16 |
BTN1500GLC/GLE


| 功率 | 型號 | 電源 | 電機功率 | 包裝尺寸 | 重量 |
| 1715~14000 | BTN1500GLC/GLE | 380V 50Hz | 45+4 | 2240x1820x1800 | 900 |
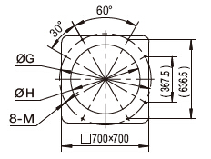
| 型號 | A | B | C | D | E | F | G | H | B1 | K | L | M |
| mm | mm | mm | mm | Φmm | Φmm | Φmm | mm | mm | mm | mm | M | |
| BTN1500GLC/GLE | 1530 | 1520 | 2070 | 462 | 536 | 510 | 735 | 556 | 634 | 218 | DN125 | 8-M16 |






