1.交替工作天然氣/輕油雙燃料燃燒器。
2. 雙段運行(大/小火)。
3.空氣和燃氣在燃燒頭內混合,機械式壓力霧化。
4.通過調節燃燒空氣和燃燒頭,可以獲得最佳的燃燒參數。
5.鉸鏈式連接,可左右自然打開,維修保養方便。
6.伺服電機調節空氣流量。
7.采用一個法蘭和耐高溫隔熱墊與鍋爐聯接固定。
8.帶流量調節裝置的燃燒空氣進口。
9.燃燒器空氣進口采用消音設計。
10.帶有不銹鋼噴嘴和火焰擴散盤的鋼質可調節燃燒頭。
11.兩個三相電機,一個帶動風機,另一個帶動油泵。
12. UV紫外線光電管檢測火焰。
13.標準配置的電氣防護等級IP40。
產品總匯 | Products
BTN85/120/150GLR雙段火燃氣 / 輕油雙燃料燃燒器
產品型號
BTN85GLR

| 功率 | 型號 | 訂貨編碼 | 電源 | 電機功率 | 包裝尺寸 | 重量 |
| 238 ~820 | BTN85GLR | 202 23 025 | 380V 50Hz | 1.1+0.37 | 1000x1010x755 | 84 |
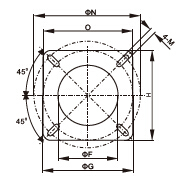
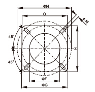
| 型號 | A | B | C | D | E | F | G | H | B1 | K | L | O | N | M |
| mm | mm | mm | mm | Φmm | Φmm | Φmm | mm | mm | mm | mm | mm | Φmm | M | |
| BTN85GLR | 747 | 588 | 1042 | 250 | 180 | 190 | 290 | 320 | 231 | 151 | G2" | 320 | 370 | 4-M16 |
BTN120GLR


| 功率 | 型號 | 訂貨編碼 | 電源 | 電機功率 | 包裝尺寸 | 重量 |
| 348 ~1165 | BTN120GLR | 202 23 026 | 380V 50Hz | 1.5+0.37 | 1000x1010x755 | 87 |
| 型號 | A | B | C | D | E | F | G | H | B1 | K | L | O | N | M |
| mm | mm | mm | mm | Φmm | Φmm | Φmm | mm | mm | mm | mm | mm | Φmm | M | |
| BTN120GLR | 747 | 588 | 1042 | 250 | 180 | 190 | 290 | 320 | 231 | 151 | G2" | 320 | 370 | 4-M16 |
BTN150GLR


| 功率 | 型號 | 訂貨編碼 | 電源 | 電機功率 | 包裝尺寸 | 重量 |
| 468~1400 | BTN150GLR | 202 23 027 | 380V 50Hz | 2.2+0.37 | 1000x1010x755 | 90 |
| 型號 | A | B | C | D | E | F | G | H | B1 | K | L | O | N | M |
| mm | mm | mm | mm | Φmm | Φmm | Φmm | mm | mm | mm | mm | mm | Φmm | M | |
| BTN150GLR | 802 | 588 | 1072 | 280 | 190 | 200 | 290 | 320 | 231 | 151 | G2" | 320 | 370 | 4-M16 |






