1.交替工作天然氣/輕油雙燃料燃燒器。
2. 雙段運行(大/小火)。
3.空氣和燃氣在燃燒頭內混合。
4.通過調節燃燒空氣和燃燒頭,可以獲得最佳的燃燒參數。
5.鉸鏈式連接,可左右自然打開,維修保養方便。
6.伺服電機調節空氣流量。
7.采用一個法蘭和耐高溫隔熱墊與鍋爐聯接固定。
8.帶流量調節裝置的燃燒空氣進口。
9.燃燒器空氣進口采用消音設計。
10.耐高溫的不銹鋼燃燒頭火焰盤。
11.三相電機帶動風機和油泵。
12.電離電極/光敏電阻檢測火焰。
13.標準配置的電氣防護等級IP40。
14.塑料保護外罩。
產品總匯 | Products
BTN40/55GLR雙段火燃氣 / 輕油雙燃料燃燒器
產品型號
BTN40GLR


| 功率 | 型號 | 訂貨編碼 | 電源 | 電機功率 | 包裝尺寸 | 重量 |
| 70 ~390 | BTN40GLR | 202 23 023 | 220V/50HZ | 0.3 | 740x680x570 | 45 |
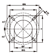
| 型號 | A | B | C | D | E | F | G | H | B1 | K | L | O | N | M |
| mm | mm | mm | mm | Φmm | Φmm | Φmm | mm | mm | mm | mm | mm | Φmm | M | |
| BTN40GLR | 502 | 402 | 692 | 210 | 160 | 170 | 218 | 220 | 177 | 76 | G11/2" | 220 | 260 | 4-M10 |
BTN55GLR

| 功率 | 型號 | 訂貨編碼 | 電源 | 電機功率 | 包裝尺寸 | 重量 |
| 101~550 | BTN55GLR | 202 23 024 | 220V/50HZ | 0.42 | 740x680x570 | 46 |
| 型號 | A | B | C | D | E | F | G | H | B1 | K | L | O | N | M |
| mm | mm | mm | mm | Φmm | Φmm | Φmm | mm | mm | mm | mm | mm | Φmm | M | |
| BTN55GLR | 502 | 402 | 692 | 210 | 160 | 170 | 218 | 220 | 177 | 76 | G11/2" | 220 | 260 | 4-M10 |






