1.交替工作天然氣/輕油雙燃料燃燒器。
2.單段運行(開/關)。
3.空氣和燃氣在燃燒頭內混合。
4.通過調節燃燒空氣和燃燒頭,可以獲得最佳的燃燒參數。
5.無須拆掉安裝法蘭,就可直接拆下燃燒器,維修保養方便。手動調節空氣流量。
6.手動調節空氣流量。
7.采用一個法蘭和耐高溫隔熱墊與鍋爐聯接固定。
8.帶流量調節裝置的燃燒空氣進口。
9.耐高溫的不銹鋼燃燒頭火焰盤。
10.單相電機帶動風機和油泵。
11.電離電極/光敏電阻檢測火焰。
12.標準配置的電氣防護等級IP40。
13.塑料保護外罩。
14.空氣入口帶消音裝置。
產品總匯 | Products
BTN15/20/30GL/GLW單段火燃氣 / 輕油雙燃料燃燒器
產品型號
BTN15GL/GLW
| 功率 | 型號 | 電源 | 電機功率 | 包裝尺寸 | 重量 |
| 50 ~160 | BTN15GL/GLW | 230V 50Hz | 0.2 | 525x375x365 | 12 |
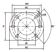
| 型號 | A1 | A2 | B1 |
B2 |
C | D | E | F | G | H | I | L | N |
| mm | mm | mm |
mm |
mm | mm | Φmm | mm | mm | mm | Φmm | Φmm | Φmm | |
| BTN15GL/GLW | 157 | 137 |
204 |
98 | 438 | 162 | 114 | 72 | G?” | 144 | 195-220 | 160-190 | 124 |
BTN20GL/GLW


| 功率 | 型號 | 電源 | 電機功率 | 包裝尺寸 | 重量 |
| 60 ~205 | BTN20GL/GLW | 230V 50Hz | 0.2 | 525x375x365 | 12 |
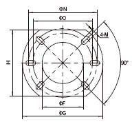
| 型號 | A | A1 | B | C | D | E | F | G | H | B1 | K | L | O | N | M |
| mm | mm | mm | mm | mm | Φmm | Φmm | Φmm | mm | mm | mm | mm | Φmm | Φmm | M | |
| BTN20GL/GLW | 290 | 357 | 302 | 433 | 160 | 125 | 135 | 220 | 195 | 144 | 72 | G3/4" | 160 | 190 | 4-M8 |
BTN30GL/GLW


| 功率 | 型號 | 電源 | 電機功率 | 包裝尺寸 | 重量 |
| 100~280 | BTN30GL/GLW | 230V 50Hz | 0.25 | 525x375x365 | 12.5 |
| 型號 | A | A1 | B | C | D | E | F | G | H | B1 | K | L | O | N | M |
| mm | mm | mm | mm | mm | Φmm | Φmm | Φmm | mm | mm | mm | mm | Φmm | Φmm | M | |
| BTN30GL/GLW | 290 | 357 | 302 | 433 | 160 | 125 | 135 | 220 | 195 | 144 | 72 | G3/4" | 160 | 190 | 4-M8 |






