1 交替工作天燃氣/輕油雙燃料燃燒器。
2. 雙段漸進式/比例式運行。
3. 空氣和燃氣在燃燒頭內混合,機械式壓力霧化。
4. 通過調節燃燒空氣和燃燒頭,可以獲得最佳的燃燒參數。
5. 鉸鏈連接,可左右自然打開。
6. 無須把燃燒器從鍋爐上拆下,就可直接取下混合裝置和霧化裝置,維修保養方便。
7.用伺服電動機來進行第一、二段最小和最大空氣流量調節;燃燒器暫停時,風門關閉以減少爐內熱量損失。
8. 帶有凸輪的伺服電機可以同時調節空氣和燃料的供應。
9. 采用一個法蘭和一個絕緣密封圈與鍋爐聯接固定。
10.帶流量調節裝置的燃燒空氣進口。
11.與各種鍋爐法蘭配對的滑動法蘭,可以調整燃燒器伸入鍋爐的位置。
12.帶有不銹鋼噴嘴和火焰擴散盤的鋼質可調節燃燒頭。
13.兩個三相電機:一個帶動風機,另一個帶動油泵、
14.UV紫外線光電管檢測火焰。
15.標準配置的電氣防護等級IP40。
產品總匯 | Products
BT400/600GLC漸進式/比例調節輕油/燃氣雙燃料燃燒器
產品型號
BT400GLC

| 功率 | 型號 | 訂貨編碼 | 電源 | 電機功率 | 包裝尺寸 | 重量 |
| 1304~3878 | BT400GLC | 201 23 119 | 380V 50Hz | 9+0.75 | 1620x1200x960 | 310 |
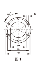
| 型號 | A | B1 | B2 | C | D | E | F | N | L | I | 圖號 | M |
| mm | mm | mm | mm | mm | Φmm | Φmm | Φmm | Φmm | Φmm | - | M | |
| BT400GLC | 1115 | 570 | 280 | 1785 | 350~495 | 300 | 299 | 320 | 462~520 | 550 | 圖1 | 6-M20 |
BT600GLC


| 功率 | 型號 | 訂貨編碼 | 電源 | 電機功率 | 包裝尺寸 | 重量 |
| 1850~5500 | BT600GLC | 201 23 120 | 380V 50Hz | 15+2.2 | 1620x1200x960 | 335 |
| 型號 | A | B1 | B2 | C | D | E | F | N | L | I | 圖號 | M |
| mm | mm | mm | mm | mm | Φmm | Φmm | Φmm | Φmm | Φmm | - | M | |
| BT600GLC | 1130 | 570 | 290 | 1755 | 445 | 365 | 325 | 380 | 520 | 580 | 圖2 | 6-M20 |








