1.重油燃燒器。
2.雙段漸近式/比例式/電子式運行。
3.空氣霧化。
4.通過調節燃燒空氣量,可以獲得最佳的燃燒參數。
5.無須把燃燒器從鍋爐上拆下,就可直接取下霧化裝置,維修保養方便。
6.漸式/比例式用伺服電動機來進行第一、二段空氣流量調節。
7.電子比調式用兩個伺服電機分別控制燃油和空氣的比例調節。
8.燃燒器暫停時,風門關閉以減少爐內熱量損失。
9.帶有凸輪的伺服電機可以同時調節空氣和燃料的供應。
10.采用一個法蘭和耐高溫隔熱墊與鍋爐聯接固定。
11.燃燒器空氣進口采用消音設計。
12.耐高溫的不銹鋼燃燒頭火焰盤。
13.獨立的重油電加熱器組和三相電機帶動油泵。
14.光敏電阻檢測火焰。
15.標準配置的電氣防護等級IP40。
產品總匯 | Products
BTN1200/1500HC/HE重油燃燒器(空氣霧化)
產品型號
BTN1200HC/HE


| 功率 | 型號 | 最大粘度 | 電源 | 電機功率 | 包裝尺寸 | 重量 |
| 1715~12000 | BTN1200HC/HE | 1.5 | 380V 50Hz | 37 | 2240x1820x1800 | 865 |
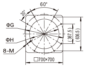
| 型號 | A | B | C | D | E | F | G | H | M |
| mm | mm | mm | mm | Φmm | Φmm | Φmm | Φmm | M | |
| BTN1200HC/HE | 1530 | 1520 | 2070 | 462 | 510 | 536 | 735 | 556 | 8-M16 |
BTN1500HC/HE


| 功率 | 型號 | 最大粘度 | 電源 | 電機功率 | 包裝尺寸 | 重量 |
| 1715~14000 | BTN1500HC/HE | 1.5 | 380V 50Hz | 45 | 2240x1820x1800 | 895 |
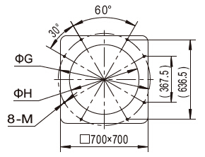
| 型號 | A | B | C | D | E | F | G | H | M |
| mm | mm | mm | mm | Φmm | Φmm | Φmm | Φmm | M | |
| BTN1500HC/HE | 1530 | 1520 | 2070 | 462 | 510 | 536 | 735 | 556 | 8-M16 |






