1.重油燃燒器。
2.兩段漸近式/比例式運行。
3.空氣或蒸汽進行霧化。
4.通過調節燃燒空氣和燃燒頭,可以獲得最佳的燃燒參數。
5.鉸鏈連接,可左右自然打開。
6.無須把燃燒器從鍋爐上拆下,就可直接取下霧化裝置,維修保養方便。
7.燃燒器暫停時,風門關閉以減少爐內熱量損失。
8.帶有凸輪的伺服電機可以同時調節空氣和燃料的供應。
9.帶有調節閥和截止閥。
10.帶有溫度計、進行最低溫及溫度調節的燃料電預熱器。
11.采用一個法蘭和一個絕緣密封圈與鍋爐聯接固定。
12.帶流量調節裝置的燃燒空氣進口。
13.帶有鋼質鼓風管和火焰盤的可調節燃燒頭。
14.三相電機帶動風機。
15.光敏電阻檢測火焰。
16.標準配置的電氣防護等級IP40。
產品總匯 | Products
產品型號
BTH10 S/M1


| 功率 | 型號 | 訂貨編碼 | 最大粘度 | 電源 | 電機功率 | 包裝尺寸 | 重量 |
| 558~1276 | BT10HAE | 201 21 208 | 60 | 380V 50Hz | 1.5 | 986x756x947 | 132 |
| 型號 | A1 |
A2 |
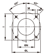
B1 | B2 | C | D | E | F | N | L | I | M |
| mm |
mm |
mm | mm | mm | mm | Φmm | Φmm | Φmm | Φmm | mm | M | |
| BT10 HAE |
341 |
313.8 |
520.5 |
181.8 | 865 | 162 | 190 | 147 | 200 | 325 | 280 | 4-M12 |
BTH10 S/M2


| 功率 | 型號 | 訂貨編碼 | 最大粘度 | 電源 | 電機功率 | 包裝尺寸 | 重量 |
| 558~1276 | BTH10 S/M2 | 201 21 201 | 60 | 380V 50Hz | 1.5 | 970x700x900 | 155 |
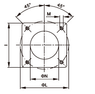
| 型號 | A | B | C | D | E | F | N | L | I | M |
| mm | mm | mm | mm | Φmm | Φmm | Φmm | Φmm | mm | M | |
| BTH10 S/M2 | 605 | 705 | 865 | 162 | 190 | 147 | 200 | 325 | 280 | 4-M12 |








