1.輕油燃燒器。
2.雙段漸近式/比例式/電子式運行。
3.機械式壓力霧化。
4.通過調節燃燒空氣量,可以獲得最佳的燃燒參數。
5.鉸鏈式連接,可左右自然打開,維修保養方便。
6.雙段式用液壓調節器來進行第一、二段空氣流量調節。
7.漸式/比例式用伺服電動機來進行第一、二段空氣流量調節。
8.電子比調式用兩個伺服電機分別控制燃油和空氣的比例調節。
9.燃燒器暫停時,風門關閉以減少爐內熱量損失。
10.帶有凸輪的伺服電機可以同時調節空氣和燃料的供應。
11.采用一個法蘭和耐高溫隔熱墊與鍋爐聯接固定。
12.耐高溫的不銹鋼燃燒頭火焰盤。
13.獨立三相電機帶動油泵。
14.光敏電阻檢測火焰。
15.標準配置的電氣防護等級IP40。
產品總匯 | Products
BTN210/250LR/LC/ L E雙段/漸進式/比例調節/電子比調輕油燃燒器
產品型號
BTN210LR/LC/LE


| 功率 | 型號 | 最大粘度 | 電源 | 電機功率 | 包裝尺寸 | 重量 |
| 759~2443 | BTN210LR/LC/LE | 1.5 | 380V 50Hz | 4.5 | 1000x1010x755 | 140 |
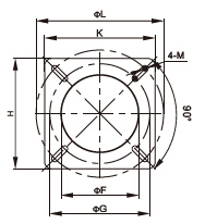
| 型號 | A1 | A2 | B1 | B2 | C | D | E | I | L | M | N |
| mm | mm | mm | mm | mm | mm | Φmm | Φmm | Φmm | Φmm | Φmm | |
| BTN210LR/LC/LE |
390 |
431 |
428 |
160 | 1162 | 370 | 222 | 320 | 290-370 | 4-M16 | 232 |
BTN250LR/LC/LE


| 功率 | 型號 | 最大粘度 | 電源 | 電機功率 | 包裝尺寸 | 重量 |
| 600~2700 | BTN250LR/LC/LE | 1.5 | 380V 50Hz | 6.6 | 1000x1010x755 | 145 |
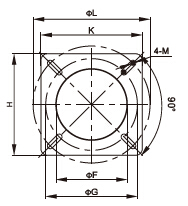
| 型號 | A1 |
A2 |
B1 | B2 | C | D | E | I | L | M | N |
| mm |
mm |
mm | mm | mm | mm | Φmm | Φmm | Φmm | M |
Φmm |
|
| BTN250LR/LC/LE |
445 |
431 | 428 | 160 | 1162 | 370 | 222 | 320 | 290-370 | 4-M16 | 232 |






