1.輕油燃燒器。
2.雙段運行(大/小火)。
3.機械式壓力霧化。
4.通過調節燃燒空氣量,可以獲得最佳的燃燒參數。
5.鉸鏈式連接,可左右自然打開,維修保養方便。
6.用液壓調節器來進行第一、二段空氣流量調節。
7.采用一個法蘭和耐高溫隔熱墊與鍋爐聯接固定。
8.帶流量調節裝置的燃燒空氣進口。
9.燃燒器空氣進口采用消音設計。
10.耐高溫的不銹鋼燃燒頭火焰盤。
11.三相電機帶動風機和油泵。
12.光敏電阻檢測火焰。
13.標準配置的電氣防護等級IP40。
產品總匯 | Products
BTN85/120/150LR雙段火輕油燃燒器
產品型號
BTN85LR


| 功率 | 型號 | 訂貨編碼 | 最大粘度 | 電源 | 電機功率 | 包裝尺寸 | 重量 |
| 255~830 | BTN85LR | 202 20 025 | 1.5 | 380V 50Hz | 1.1 | 1000x1010x755 | 60 |
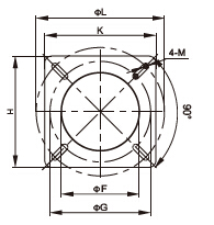
| 型號 | A | B | C | D | E | F | G | H | K | L | M |
| mm | mm | mm | mm | Φmm | Φmm | Φmm | mm | mm | Φmm | M | |
| BTN85LR | 636 | 588 | 1060 | 250 | 180 | 190 | 290 | 320 | 320 | 370 | 4-M16 |
BTN120LR


| 功率 | 型號 | 訂貨編碼 | 最大粘度 | 電源 | 電機功率 | 包裝尺寸 | 重量 |
| 356~1186 | BTN120LR | 202 20 026 | 1.5 | 380V 50Hz | 1.5 | 1000x1010x755 | 63 |
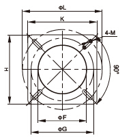
| 型號 | A | B | C | D | E | F | G | H | K | L | M |
| mm | mm | mm | mm | Φmm | Φmm | Φmm | mm | mm | Φmm | M | |
| BTN120LR | 663 | 588 | 1060 | 250 | 180 | 190 | 290 | 320 | 320 | 370 | 4-M16 |
BTN150LR


| 功率 | 型號 | 訂貨編碼 | 最大粘度 | 電源 | 電機功率 | 包裝尺寸 | 重量 |
| 486~1540 | BTN150LR | 202 20 027 | 1.5 | 380V 50Hz | 2.2 | 1000x1010x755 | 66 |
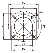
| 型號 | A | B | C | D | E | F | G | H | K | L | M |
| mm | mm | mm | mm | Φmm | Φmm | Φmm | mm | mm | Φmm | M | |
| BTN150LR | 663 | 588 | 1090 | 280 | 190 | 200 | 290 | 320 | 320 | 370 | 4-M16 |








