1.輕油燃燒器。
2.單段運行(開/關)。
3.機械式壓力霧化。
4.通過調節燃燒空氣量,可以獲得最佳的燃燒參數。
5.無須拆掉安裝法蘭就可直接拆下燃燒器,維修保養方便。
6.單段火用手動調節空氣流量。
7.雙段火用液壓調節器來進行第一、二段火空氣流量調節。
8. 采用一個法蘭和耐高溫隔熱墊與鍋爐聯接固定。
9.帶流量調節裝置的燃燒空氣進口。
10.耐高溫的不銹鋼燃燒頭火焰盤。
11.單相電機帶動風機和油泵。
12.光敏電阻檢測火焰。
13.標準配置的電氣防護等級IP40。
14.空氣入口帶有消音裝置。
15.塑料保護外罩。
產品總匯 | Products
BTN15/20/30L/LR單段/雙段火輕油燃燒器
產品型號
BTN15L/LW


| 功率 | 型號 | 最大粘度 | 電源 | 電機功率 | 包裝尺寸 | 重量 |
| 83~166 | BTN15L/LR | 1.5 | 230V 50Hz | 0.2 | 525x375x365 | 12 |
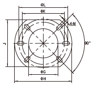
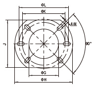
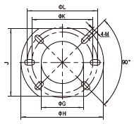
| 型號 | A | A1 | B | C | D | E | G | H | J | K | L | M |
| mm | mm | mm | mm | mm | Φmm | Φmm | Φmm | mm | Φmm | Φmm | M | |
| BTN15L/LR | 290/313 | 357 | 302 | 433 | 160 | 105 | 124 | 220 | 195 | 160 | 190 | 4-M8 |
BTN20L/LR


| 功率 | 型號 | 最大粘度 | 電源 | 電機功率 | 包裝尺寸 | 重量 |
| 118.6~261 | BTN20L/LR | 1.5 | 230V 50Hz | 0.2 | 525x375x365 | 12 |
| 型號 | A | A1 | B | C | D | E | G | H | J | K | L | M |
| mm | mm | mm | mm | mm | Φmm | Φmm | Φmm | mm | Φmm | Φmm | M | |
| BTN20L/LR | 290/313 | 357 | 302 | 433 | 160 | 125 | 135 | 220 | 195 | 160 | 190 | 4-M8 |
BTN30L/LR


| 功率 | 型號 | 最大粘度 | 電源 | 電機功率 | 包裝尺寸 | 重量 |
| 190~310 | BTN30L/LR | 1.5 | 230V 50Hz | 0.25 | 525x375x365 | 12.5 |
| 型號 | A | A1 | B | C | D | E | G | H | J | K | L | M |
| mm | mm | mm | mm | mm | Φmm | Φmm | Φmm | mm | Φmm | Φmm | M | |
| BTN30L/LR | 290/313 | 357 | 302 | 433 | 160 | 125 | 135 | 220 | 195 | 160 | 190 | 4-M8 |






