1.輕油燃燒器。
2.單段運行(開/關)。
3.機械式壓力霧化。
4.通過調節燃燒空氣量,可以獲得最佳的燃燒參數。
5.無須拆掉安裝法蘭就可直接拆下燃燒器,維修保養方便。
6.手動調節空氣流量。
7.采用一個法蘭和耐高溫隔熱墊與鍋爐聯接固定。
8.帶流量調節裝置的燃燒空氣進口。
9.耐高溫的不銹鋼燃燒頭火焰盤。
10.單相電機帶動風機和油泵。
11.光敏電阻檢測火焰。
12.標準配置的電氣防護等級IP40。
13.空氣入口帶有消音裝置。
14.塑料保護外罩。
產品總匯 | Products
BTN5/8/12L/LW單段火輕油燃燒器
產品型號
BTN5L/LW


| 功率 | 型號 | 最大粘度 | 電源 | 電機功率 | 包裝尺寸 | 重量 |
| 20~59 | BTN5L/LW | 1.5 | 230V 50Hz | 0.09 | 420x315x313 | 10 |
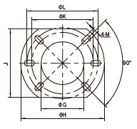
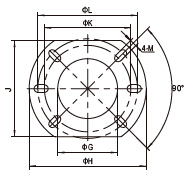
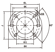
| 型號 | A | A1 | B | C | D | E | G | H | J | K | L | M |
| mm | mm | mm | mm | mm | Φmm | Φmm | Φmm | mm | Φmm | Φmm | M | |
| BTN5L/LW | 243 | 310 | 246 | 385 | 160 | 90 | 105 | 194 | 166 | 140 | 168 | 4-M8 |
BTN8L/LW


| 功率 | 型號 | 最大粘度 | 電源 | 電機功率 | 包裝尺寸 | 重量 |
| 47~105 | BTN8L/LW | 1.5 | 230V 50Hz | 0.1 | 420x315x313 | 10 |
| 型號 | A | A1 | B | C | D | E | G | H | J | K | L | M |
| mm | mm | mm | mm | mm | Φmm | Φmm | Φmm | mm | Φmm | Φmm | M | |
| BTN8L/LW | 243 | 310 | 246 | 385 | 160 | 97 | 107 | 194 | 166 | 140 | 168 | 4-M8 |
BTN12L/LW


| 功率 | 型號 | 最大粘度 | 電源 | 電機功率 | 包裝尺寸 | 重量 |
| 60~130 | BTN12L/LW | 1.5 | 230V 50Hz | 0.13 | 420x315x313 | 10.5 |
| 型號 | A | A1 | B | C | D | E | G | H | J | K | L | M |
| mm | mm | mm | mm | mm | Φmm | Φmm | Φmm | mm | Φmm | Φmm | M | |
| BTN12L/LW | 243 | 310 | 246 | 385 | 160 | 97 | 107 | 194 | 166 | 140 | 168 | 4-M8 |








