1.輕油燃燒器。
2.單段運行(開/關)。
3.機械式壓力霧化。
4.通過調節燃燒空氣量,可以獲得最佳的燃燒參數。
5.無須拆掉安裝法蘭就可直接拆下燃燒器,維修保養方便。
6.手動調節空氣流量。
7.采用一個法蘭和耐高溫隔熱墊與鍋爐聯接固定。
8.帶流量調節裝置的燃燒空氣進口。
9.耐高溫的不銹鋼燃燒頭火焰盤。
10.單相電機帶動風機和油泵。
11.光敏電阻檢測火焰。
12.標準配置的電氣防護等級IP40。
13.塑料保護外罩。
產品總匯 | Products
產品型號
BTN3L
| 功率 | 型號 | 訂貨編碼 | 最大粘度 | 電源 | 電機功率 | 包裝尺寸 | 重量 |
| 17.6~41.4 | BTN3L | 20220009 | 1.5 | 230V 50Hz | 0.1 | 370x305x295 | 9 |
| 型號 | A1 | A2 | B1 | B2 |
C |
D |
E | N | I | L | M |
| mm | mm | mm | mm |
mm |
mm |
Φmm | Φmm | Φmm | Φmm | M | |
| BTN3L | 124 | 100 | 157 |
73 |
276 |
82 | 80 | 90 | 145-176 | 150 | 4-M8 |
BTN3LW


| 功率 | 型號 | 訂貨編碼 | 最大粘度 | 電源 | 電機功率 | 包裝尺寸 | 重量 |
| 17.6~41.4 | BTN3LW | 20220209 | 1.5 | 230V 50Hz | 0.075 | 380x310x285 | 9 |
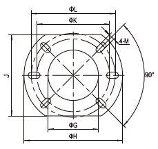
| 型號 | A | B | C | D | E | F | G | H | J | K | L | M |
| mm | mm | mm | mm | Φmm | Φmm | Φmm | Φmm | mm | Φmm | Φmm | M | |
| BTN3LW | 262 | 229 | 275 | 85 | 80 | 60 | 90 | 176 | 145 | 130 | 150 | 4-M8 |






